WPEQ-261ACN(BT)

WPEQ-261ACN (BT) 是一种单芯片无线局域网 (WLAN) 组合解决方案,支持具有两个空间流 IEEE802.11ac/a/b/ 的 2×2 多用户多输入多输出 (MU-MIMO) g/n WLAN 标准。802.11N模式下载速度为300Mbps,AC网下载速度为867Mbps。WPEQ-261ACN(BT)集成了BT传输技术,用于短距离设备之间的语音和数据传输。WPEQ-261ACN (BT) 专为任何带有半高mini PCIe 插槽的无线设备而设计。
15618696870
产品概述产品规格硬件信息订货信息相关资源

产品概述

WPEQ-261ACN (BT) 是一种单芯片无线局域网 (WLAN) 组合解决方案,支持具有两个空间流 IEEE802.11ac/a/b/ 的 2×2 多用户多输入多输出 (MU-MIMO) g/n WLAN 标准。802.11N模式下载速度为300Mbps,AC网下载速度为867Mbps。WPEQ-261ACN(BT)集成了BT传输技术,用于短距离设备之间的语音和数据传输。WPEQ-261ACN (BT) 专为任何带有半高mini   PCIe 插槽的无线设备而设计。

适用应用

工业电脑                                                       

车载路由器

车载前排

机器人

车载电脑

户外IPTV

后终端无人机

智能网关


参数特性

STANDARD

WI-FI

IEEE 802.11ac/a/b/g/n

Chipset

Qualcomm Atheros QCA6174A-5

Host Interface

WLAN : PCIe

RADIO

Antenna

2 x IPEX MHF4 connectors(MAIN用于WLAN,AUX用于WLAN/BT)

Operating Frequency

802.11ac/a/b/g/n ISM Band

2.412GHz~2.484GHz

5.150GHz~5.850GHz

*Subject to local regulations

MODULATIONS

802.11b

DSSS (DBPSK, DQPSK, CCK)

802.11g

OFDM (BPSK, QPSK, 16-QAM, 64-QAM)

802.11n

OFDM (BPSK, QPSK, 16-QAM, 64-QAM)

802.11a

OFDM (BPSK, QPSK, 16-QAM, 64-QAM)

802.11ac

OFDM (BPSK, QPSK, 16-QAM, 64-QAM, 256-QAM)

POWER & SENSITIVITY

WiFi

Power – TX (± 2dBm)

Sensitivity – RX

11b @11Mbps

18dBm

≤ -76dBm

11g @ 54Mbps

16dBm

≤ -65dBm

11gn HT20 @ MCS 7

16dBm

≤ -64dBm

11gn HT40 @ MCS 7

16dBm

≤ -61dBm

11a @ 54Mbps

10.5dBm

≤ -65dBm

11an HT20 @ MCS 7

10dBm

≤ -64dBm

11an HT40 @ MCS 7

10dBm

≤ -61dBm

11ac VHT80 @ MCS 9

6dBm

≤ -51dBm

POWER CONSUMPTION

Continue TX

610mA

Continue RX

285mA

ENVIRONMENTAL

Operating Voltage

DC 3.3V

Temperature Range

-40~ 70°C (Operating)

-40 ~ 85°C (Storing)

Humidity(Non-Condensing)

5 ~ 90% (Operating)

5 ~ 90% (Storing)

SIZE

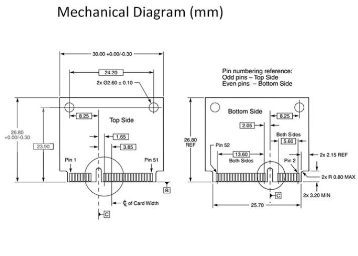
Dimension (MM)

30mm(±0.3mm) x 26.8mm(±0.3mm) x 2.5mm(±0.3mm)

Weight

2.6g

SOFTWARE

Driver

Windows 7/8.1/10

Linux (Open Source), Recommend Kernel v4.0+

Security

64/128-bits WEP, WPA, WPA2, WPA3, 802.1x

Miscellaneous

Warranty Period

12 Month

HS Code

8517620050

认证

20250905

20250905

20250905

20250905

USA

EU Region

Japan

Canada

Australia / NZ

China Taiwan

Brazil

Mexico

环境合规

2025090520250905

ROHS

REACH



联系我们,为您提供一站式AGV联网服务!
无线通信一站式服务商,简化AGV场景的布网流程,加速您的项目交付!