WPET-236ACN(BT)

WPET-236ACN(BT) 是高度集成的 802.11ac/a/b/g/n 2T2R 模块 (WiFi 5),支持 2 流 802.11ac 多用户 MIMO。N 网络上的下载速度为 300Mbps,AC 网络(WiFi 5)上的下载速度为 867Mbps。WPET-236ACN(BT)集成了BT传输技术,用于设备之间的短距离语音和数据传输。它支持各种应用程序的多个驱动程序(Android/ Windows/ Linux)。
15618696870
产品概述产品规格硬件信息订货信息相关资源

产品概述

WPET-236ACN(BT) 是高度集成的 802.11ac/a/b/g/n 2T2R 模块 (WiFi 5),支持 2 流 802.11ac 多用户 MIMO。N 网络上的下载速度为 300Mbps,AC 网络(WiFi 5)上的下载速度为 867Mbps。WPET-236ACN(BT)集成了BT传输技术,用于设备之间的短距离语音和数据传输。它支持各种应用程序的多个驱动程序(Android/ Windows/ Linux)。

它结合了 WLAN MAC、支持 2T2R 的 WLAN 基带、BT 协议栈(LM、LL 和 LE)、BT 基带、调制解调器。它为高吞吐量性能的集成无线 LAN 和 BT 设备提供了完整的解决方案。它旨在以低功耗提供卓越的性能,并增强系统稳健和成本效益的优势。它针对具有竞争力的卓越性能、更好的电源管理应用。

适用应用

工业电脑

车载路由器

车载前排

机器人

车载电脑

户外IPTV

后终端无人机

智能网关


参数特性

STANDARD

WI-FI

IEEE 802.11ac/a/b/g/n

Chipset

Realtek RTL8822BU-CG

Host Interface

WLAN : USB

RADIO

Antenna

2 x IPEX MHF1 connectors(ANT0仅用于WLAN,ANT1用于WLAN/BT)

Operating Frequency

802.11ac/a/b/g/n ISM Band

2.412GHz~2.484GHz

5.150GHz~5.850GHz

*Subject to local regulations

MODULATIONS

802.11b

DSSS (DBPSK, DQPSK, CCK)

802.11g

OFDM (BPSK, QPSK, 16-QAM, 64-QAM)

802.11n

OFDM (BPSK, QPSK, 16-QAM, 64-QAM)

802.11a

OFDM (BPSK, QPSK, 16-QAM, 64-QAM)

802.11ac

OFDM (BPSK, QPSK, 16-QAM, 64-QAM, 256-QAM)

POWER & SENSITIVITY

WiFi

Power – TX (± 2dBm)

Sensitivity – RX

11b @11Mbps

15dBm

≤ -80dBm

11g @ 54Mbps

14dBm

≤ -70dBm

11gn HT20 @ MCS 7

13dBm

≤ -61dBm

11gn HT40 @ MCS 7

13dBm

≤ -61dBm

11a @ 54Mbps

13dBm

≤ -70dBm

11an HT20 @ MCS 7

12dBm

≤ -60dBm

11an HT40 @ MCS 7

12dBm

≤ -60dBm

11ac VHT80 @ MCS 9

9dBm

≤ -51dBm

POWER CONSUMPTION

Continue TX

600mA

Continue RX

350mA

ENVIRONMENTAL

Operating Voltage

DC 3.3V

Temperature Range

-20~ 70°C (Operating)

-40 ~ 80°C (Storing)

Humidity(Non-Condensing)

5~ 95% (Operating)

5 ~ 90% (Storing)

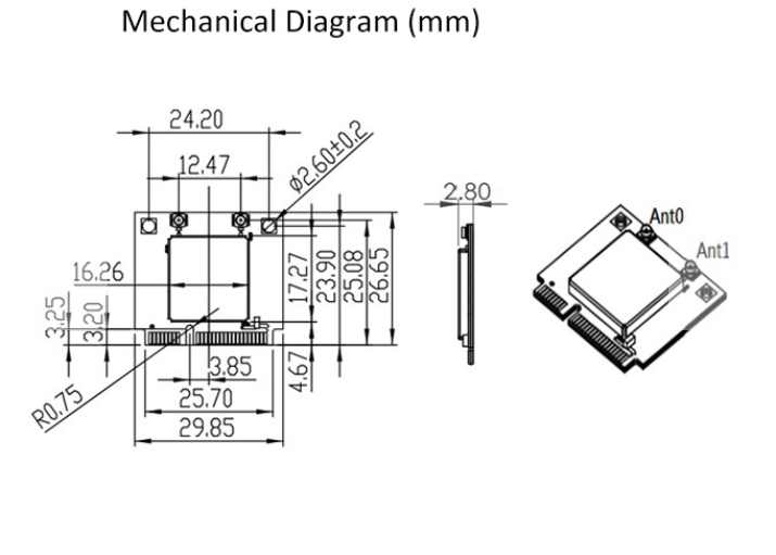
SIZE

Dimension (MM)

29.9mm(±0.2mm) x 26.65mm(±0.2mm) x 2.8mm(±0.2mm)

Weight

3.1g

SOFTWARE

Driver

Windows7/8.1/10

Linux

Android

Security

64/128-bits WEP, WPA, WPA2,802.1x

Miscellaneous

Warranty Period

12 Month

HS Code

8517620050

认证

20250905

202509052025090520250905

USA

EU Region

Japan

Canada

环境合规

2025090520250905

ROHS

REACH



联系我们,为您提供一站式AGV联网服务!
无线通信一站式服务商,简化AGV场景的布网流程,加速您的项目交付!